作者:紅星機器時間:2010-10-13更新時間:2010-10-13
如果您想了解我們的產品,可以隨時撥打我公司的銷售熱線或點擊下方按鈕在線咨詢價格!
立即撥打電話享更多優惠:0371-67772626
(1)礦石性質
該礦屬泥盆經沉積的碳酸錳礦床,近地表部分受氧化作用形成氧化錳礦石。氧化錳礦賦存于三個礦層中,主要錳礦物為軟錳礦、硬錳礦、偏錳酸礦;主要鐵礦物為褐鐵礦、赤鐵礦;脈石礦物主要有石英、高嶺石和水云母。常見的礦物結構主要為微粒、隱晶質結構,其次為細粒、泥質、膠體及殘余等結構。礦石構造主要以塊狀、斑塊狀、條帶狀、粉末狀、頁片狀和豆狀等形態構成,其次為空洞狀、網絡狀等構造。
(2)工藝流程
該礦采出的氧化礦含錳品位一般為26%左右,經洗礦工藝流程洗礦后,所得洗礦指標為:當原礦品位26.17%Mn時,凈塊礦(+7mm)品位30.55%Mn,錳回收率43.40%;凈粉礦(-7mm)品位32.91%MN,錳回收率41.96%。
(1)礦石性質
該礦的松軟錳礦是由淺海相原生沉積的含錳灰巖經地表氧化次生富集而成,屬錳帽礦床。礦石中主要錳礦物為偏錳酸礦,并含少量硬錳礦或軟錳礦及粉末狀褐鐵礦;脈石礦物主要為石英及少量粘土礦物。礦石呈紅褐色或褐黑色泥質、薄層狀結構,硬度低,密度小,含水率高達44.6%。礦石中的偏錳酸礦與泥質物混在一起,泥質物特別集中于偏錳酸礦的孔隙中;礦層中的硬錳礦或軟錳礦,僅局部性地分布于礦層面及裂隙間;粉末狀褐鐵礦呈不規則的斑狀散布于礦層中。

圖 1
此外,方解石、鐵白云石、石英等往往單獨或相互構成細脈穿切菱錳礦集合體。礦石性脆。礦體底板為黑頁巖,礦體頂板為葉片狀黑頁巖,很不穩定,開采時廢石混入率為7%-13%。

圖 2
(1)礦石性質
該礦屬風化淋濾型貧氧化錳礦,錳礦物有硬錳礦、軟錳礦和錳土。硬錳礦往往與軟錳礦組成環帶構造,兩者緊密共生。軟錳礦的密度次于硬錳礦,硬錳礦多呈致密塊狀、膠狀、粒狀或針狀集合體,軟錳礦往往呈氧化殘余或塊狀嵌布于錳土中。錳土是硬錳礦劇烈風化后之產物,呈土狀集合體或粉末狀,極為松散,密度小,含泥質較高,品位較低,多屬貧錳礦,占入洗原礦的50%左右,錳礦中脈石礦物有石英、高嶺土、絹云母、蛋白石、玉髓、褐鐵礦等。
(2)工藝流程
該礦選礦廠采用洗礦—手選—粗粒跳汰—細粒強磁選聯合流程,其洗選工藝流程及指標圖2所示。主要設備的操作條件是:AM-30型粗粒跳汰機,給礦粒度30-3mm,給礦量2.8-3.4t/h,沖程50mm,精礦擋板高80mm,尾礦擋板高度90mm;Shp-1000型強磁選機,給礦粒度-1mm占82%-84%,給礦濃度38%-44%,給礦量5.4t/h;激磁電流125A。
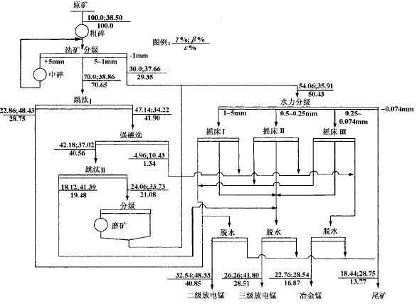
(1)礦石性質
該礦湖潤礦區屬沉積型碳酸錳礦床,靠近地表處的礦石,由于受氧化作用而形成氧化錳礦石。所開采的氧化礦石的礦物成分以軟錳礦、硬錳礦為主,其它金屬礦物有褐鐵礦、赤鐵礦、針鐵礦;脈石礦物有石英、高嶺土、水云母等。礦石一般呈深灰色、黑褐色、具有微粒隱晶質和泥質結構,為塊狀、網脈狀、條帶狀、豆狀等構造。礦石密度為3.85g/cm3。礦石中主要雜質為鐵和二氧化硅。鐵是以弱磁性的三氧化二鐵與硅酸鐵的形態存在;而錳則有92.94%是高價錳。由于鐵與錳的物理化學性質相似,選礦過程中通常不易分離。因不可溶性的鐵對錳放電性能并無更大的影響,故未考慮除鐵措施。
(2)工藝流程
該錳礦選礦廠采用重選-強磁選-重選聯合選礦工藝。其工藝流程與選礦指標見圖3所示。

圖 3
礦石性質
桃江錳礦響濤源礦區為淺海相沉積碳酸錳礦床,礦石構造以薄層狀為主,礦石結構為隱晶質。錳礦物以錳方解石為主,其次為鈣菱鐵礦和錳白云石。脈石礦物以石英為主,其次為方解石、鐵白云石及微量粘土礦物、絹云母等。金屬硫化物有黃鐵礦、黃銅礦、閃鋅礦等。礦物嵌布粒度一般為0.3-0.03mm,該礦區礦石屬低磷、低鐵、自熔性中貧錳礦石。工藝流程及指標如圖4。

圖 4
上一篇:錳和錳鐵的生產
下一篇:錳礦選礦——概述、選礦方法